Free pickup drop off 76078
Mark Patnode
2146976225
A and P , was IA.
Free pickup drop off 76078
Mark Patnode
2146976225
A and P , was IA.
Wiggle the wing test. One fellow rocking the wing tip. Yaw damper linear actuator responds. Rudder perfectly opposes each swing of the vertical fin
Copy this link for video:
https://youtube.com/shorts/HSCOv7yR17M?si=lkw_B7UvkRsMeXUN
Power up self test on F900, SPZ 8000. Video shows reaction with hydraulic power applied.
If no hydraulic power is applied, you can feel it in the rudder pedals. This one is particularly weak. The servo is possibly failed.
if I had more time, I would have written a shorter letter……
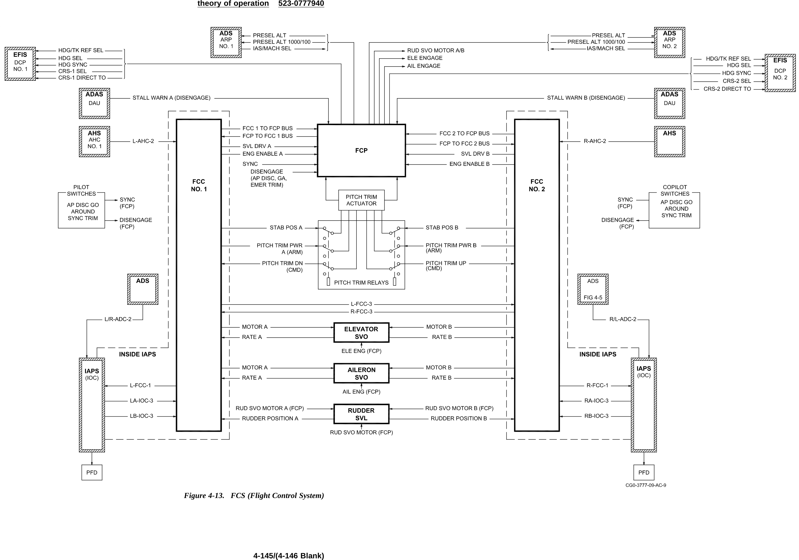
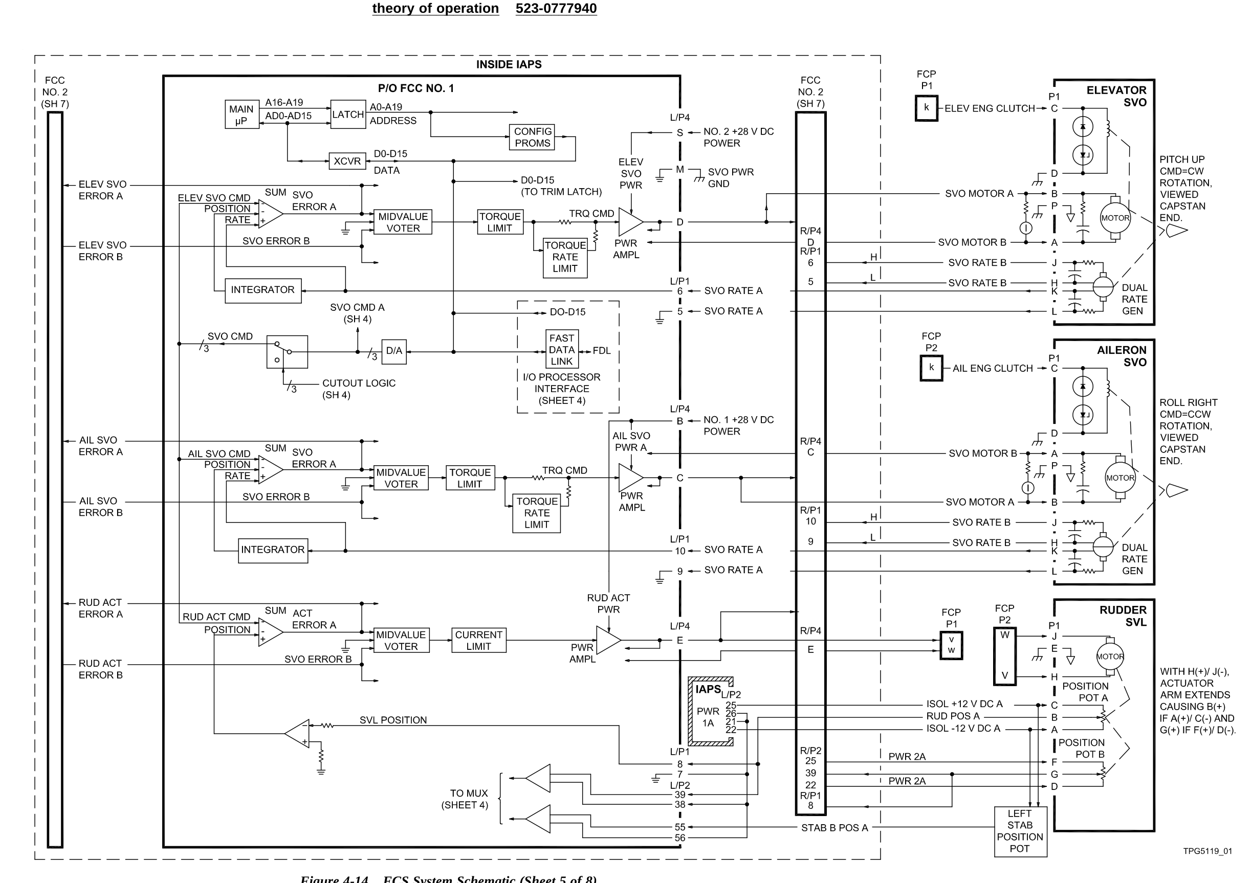
Proline 21 servo drive walk-through
FCC block page519
FC to servo page 535
part of fcc 2page 535
LEFT FWD OVERWING P/N TAE-128 S/N T02148
LEFT MID OVERWING P/N TAE-128 S/N T02111
LEFT AFT OVERWING P/N TAE-128 S/N T02113
RIGHT FWD OVERWING P/N TAE-128 S/N T02109
RIGHT MID OVERWING P/N TAE-128 S/N T02110
RIGHT AFT OVERWING P/N TAE-128 S/N T02112
LEFT SCAN LIGHT P/N TAE-0428-7 S/N T01153
RIGHT SCAN LIGHT P/N TAE-0428- 6 LOT LT21-243451
MS25036 then dash numbers for sizes
here is a chart
https://skygeek.com/aircraft-engine-parts/electrical/ring-terminals/?productListFilters=
https://youtube.com/shorts/I8lqHzN4Maw?si=8pw4UPWqFBaIGz3r
turned out to be as simple as a failed PC card in the MSC
https://youtube.com/shorts/5ILGpmW-zcc?si=An0FB0J_Sg2DRQSZ
Throttle lock works. Red TR UNLOCK annunciator works.
No green words in the n1 gage.
Pin 22 is 0V on ground, 28v when both mains in the air. all good.