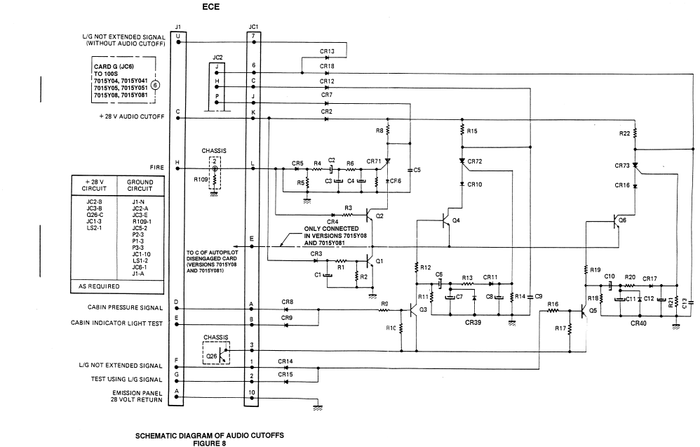
Uncategorized How Does The Falcon 20 Audio Warning Box Work? February 4, 2010 Todd Leave a comment Here is the schematic for the Warning Box